新闻中心

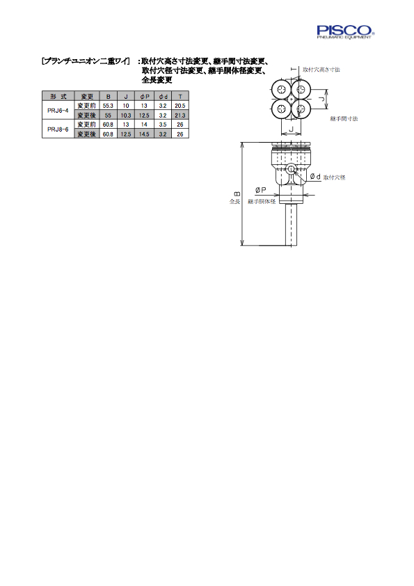
SUS303等效 304不锈钢接头外观变更

您当前的位置:首页 > 新闻中心 > 产品变更 > SUS303等效 304不锈钢...

SUS303等效 304不锈钢接头外观变更

来源:  发布日期:2016-07-08   浏览:

相关新闻:

返回列表

友情链接

              

恭喜您!注册成功! 确定
恭喜您!找回密码成功! 确定