产品资料

杠杆式气爪

您当前的位置:首页 > 产品资料 > 致动器系列 > 杠杆式气爪 > 杠杆式气爪

杠杆式气爪

Harmo 制 工业机器人零件

  • 产品介绍
  • 技术参数
  • 产品下载

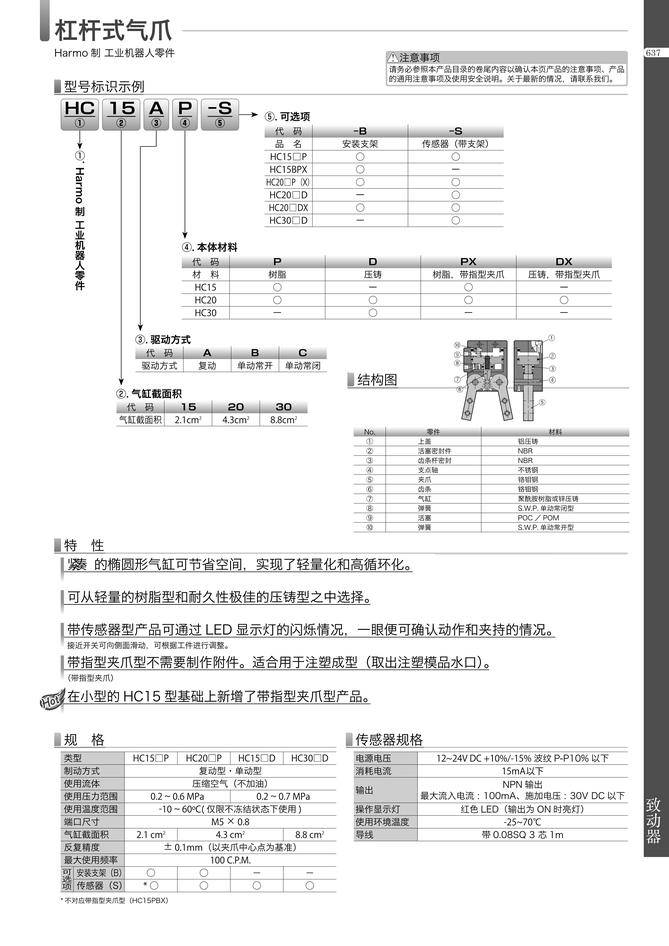
紧凑的椭圆形气缸可节省空间,实现了轻量化和高循环化。

可从轻量的树脂型和耐久性极佳的压铸型之中选择。

带传感器型产品可通过LED 显示灯的闪烁情况,一眼便可确认动作和夹持的情况。

带指型夹爪型不需要制作附件。适合用于注塑成型(取出注塑模品水口)。

在小型的HC15 型基础上新增了带指型夹爪型产品。

返回列表

友情链接

              

恭喜您!注册成功! 确定
恭喜您!找回密码成功! 确定