产品资料

真空发生器VVV

您当前的位置:首页 > 产品资料 > 真空装置系列 > 真空发生器VVV > 真空发生器VVV

真空发生器VVV

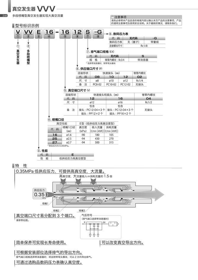
多段喷嘴型真空发生器实现大真空流量
  • 产品介绍
  • 技术参数
  • 产品下载
0.35MPa 低供应压力,可提供高真空度,大流量。
真空端口尺寸易分配到3 个端口。
简单保养可实现长寿命使用。
可根据安装部位选择排气的导出方向。
可通过选购品数码压力表确认真空度。
可以改变真空导出方向。

返回列表

友情链接

              

恭喜您!注册成功! 确定
恭喜您!找回密码成功! 确定