产品资料

防静电管

您当前的位置:首页 > 产品资料 > 管类系列 > 防静电管 > 防静电管

防静电管

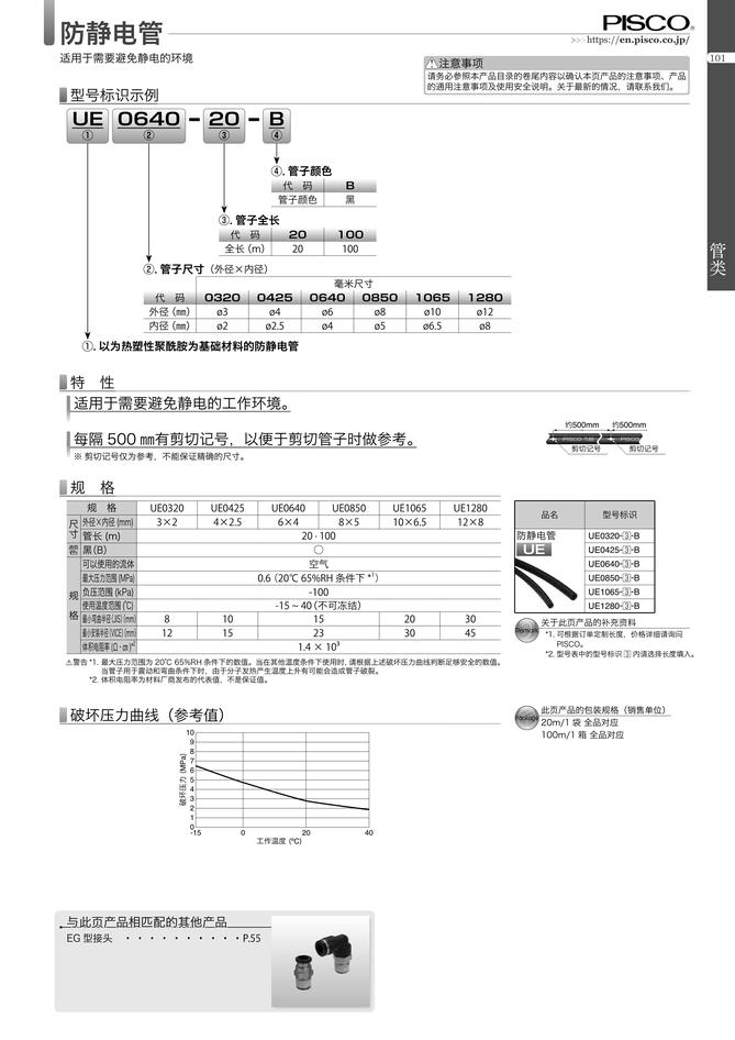
适用于需要避免静电的环境


  • 产品介绍
  • 技术参数
  • 产品下载

适用于需要避免静电的工作环境。

每隔500 ㎜有剪切记号,以便于剪切管子时做参考。


返回列表

友情链接

              

恭喜您!注册成功! 确定
恭喜您!找回密码成功! 确定